谐振,谐振过电压是什么?-贵阳科威
2022-09-08 科威
科威重庆-二次消谐装置能够保护PT,消除电网谐振过电压?
全厂仪用压缩空气压力低处理措施-科威北京
北京科威-变电站故障录波原理及文件分析
2022-09-07 科威
江西科威-变压器低压进线柜常见连接方式
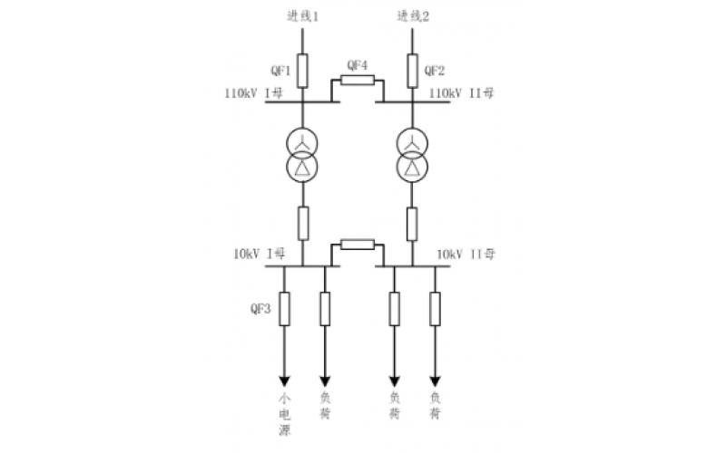
重庆科威-小电源接入对备自投的影响
2022-09-06 科威
北京科威-配电室为什么要用绝缘垫?
为什么理论计算的预热器出口烟气量要比实测值小很多?-贵州科威