分享抽屉式柜故障处理过程
2022-10-21 科威
KWZK-微正压装置的运行、维护知识分享
2022-06-01 科威设备
电机控制与保护知识分享-科威
2022-05-26 科威电气
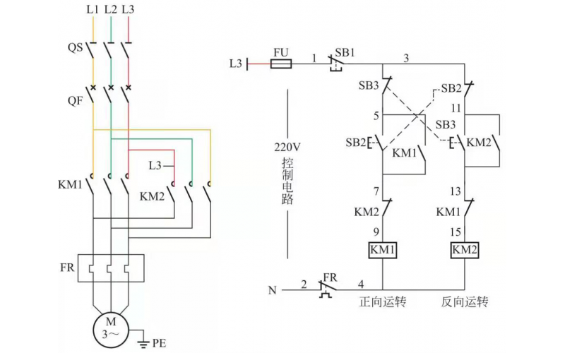
合上控制回路熔断器FU,电路具备启停条件。电动机主回路中增加了过载保护(热继电器FR)。电动机过载时,热继电器FR动作,FR的动断触点断开,接触器KM断电释放,KM的三个主触点同时断开,电动机断电停止运转。
2022-04-16 kwzk科威自控
为保证安全可靠、优质和经济合理的用电,做好用电设备的维护,故障处理及检修是十分重要的。着重介绍电动机和配电线路的检修与维护。
2022-04-13 科威