电气操作中应注意的哪些问题?
2022-08-25 科威电气
继电保护也会犯浅显错误
2022-08-23 科威电气
无线测温系统在某项目的应用
2022-08-05 科威
红外热成像仪铁路供电系统保障应用
2022-08-04 科威
两万五千多安的故障电流,你见识过吗?
2022-07-04 科威电气
科威-电机智能管理系统知识分享
2022-05-26 科威电气
水泵电机电流的速算经验分享-KWZK科威电气
2022-05-23 科威电气
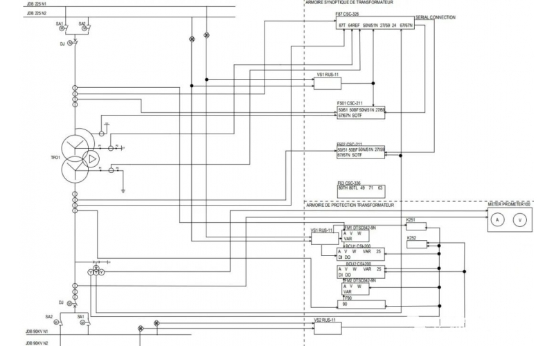
变压器间隔使用225kv母线电压与90kv母线实现检同期的研究知识
2022-04-28 科威电气