LVDT在线故障处理与分析知识分享
LVDT在线故障处理与分析知识分享
摘要:通过我厂发生的多次LVDT故障分析得出,安装不合理、就地接线松动、环境温度高、LVDT内部损坏等问题。阀门传动固定架无松动;改善安装环境;接线端子确保固定接线可靠;停机时,进行外观和端子接线检查及复紧接线工作;开机前各带LVDT反馈阀门必须进行全行程活动试验和反馈信号测量;加强巡检工作,查看LVDT状态、环境、伺服卡指示灯是否报警,并查看伺服卡指示灯以及阀门指令与反馈趋势对比偏差情况进行分析。
引言
LVDT在电厂应用的重要性。LVDT这套系统本身并不是太复杂,但它是DEH调门自动控制的反馈环节,LVDT主要用于汽轮机各进汽调门的阀位控制和阀位显示,而各进汽调门作为负荷控制的执行机构;所以确保LVDT正常工作就尤为重要。因其在DEH调节中占有重要地位而深受重视。
我厂发生多次LVDT故障,这和很多因素有关。有安装原因,接线原因,散热原因,卡件原因等,都会造成LVDT故障。针对这些原因我们也做了对应的整改。
当LVDT出现故障,将直接影响机组安全稳定运行和机组负荷变化需求等,同时更影响了发电效益;所以当机组正常运行过程中出现进汽调门LVDT故障时,就要求我们热控人员尽可能的在线消除故障;但是如果处理不当,很有可能导致机组甩负荷、非停等事件。

图1 安装实物

图2 安装实物
1. LVDT应用中的常见故障
1.1 以下因素均会导致LVDT故障
1) 铁芯上下移动卡涩、弯曲,导致参数突变
2) LVDT接线松动
3) 安装时初、次级线圈接线错误
4) LVDT本身已损坏,无法测量
5) 连杆固定件、密封件松脱,晃动大
1.2 原因分析
1) 安装原因:金属杆未校正,安装时未垂直横截面,易导致金属杆弯曲,造成卡涩;(安装时最为重要的就是要平面,并且要注意周围有无磁场问题,尽量远离磁场。然后被检测对象要与传感器材质一致,并且大于探头面的1.5倍。
2) LVDT传感器显示的参数不正确:一般这种情况大多数属于定位不准。可以将传感器取出来重新放置,调整安装的位置。重新检查安装以及线路问题。
3) LVDT位移传感器输出不正常:通常表现为磁环脱落、供电不足、接线不牢、安装不牢及工作盲区等问题,首先调整传感器的安装。此外还需要进一步检查磁环、电源、电线、接线等,有无问题。
4) 设备本身的老化,或内部断线或者是连接件未安装牢固,也造成调门反馈波动大。
2. 运行中LVDT故障应对方法
2.1 双路中单路LVDT故障
不会影响阀门的阀位反馈及机组的正常运行,可解除故障一路LVDT,可以待停机时更换;但是在机组运行状态下,为保证冗余备用,最好还是进行在线更换。
2.2 如何判断LVDT是否有故障
1) 交流电压反馈型:万用表测试LVDT的初级线圈及次级线圈的交流电压(0-5V),为确保不甩错LVDT,略微调整阀门开度,观察交流电压反馈的变化,以确定损坏的LVDT,以便于更换。
2) 直流电流反馈型:测量毫安量,看毫安量与实际位置是否对应略微调整阀门开度,观察信号变化。
3) 测量线圈电阻通过在伺服卡接线端用万用表测量LVDT初级、次级线圈电阻值可以端判断好坏。
4) 外观检查通过对LVDT的安装位置和阀门微调开度时,观察LVDT铁芯是否移动正常,铁芯、线路有无松脱现象判断LVDT是否工作正常。
2.3 其他情况
负荷、调门发生波动,要检查的项目很多,包括机务专业对液压油路、伺服阀及阀芯位置检查,热控专业要对逻辑进行分析,对DEH各卡件的工作情况进行检查,但我们可以先检查LVDT的工作情况,化简查找原因的繁琐步骤,提高效率。
2.4 如何在线更换LVDT
1) 首先做好安措,对将该阀门关闭和强制,伺服阀的进油截止阀关闭。
2) 更换前对故障的LVDT进行标记,以便新安装的LVDT与原来的位置尽量相同,然后按预先准备的方案进行检修。
3) 这个过程运行主管和热工主管必须到场进行过程监控, 确保整个过程可控在控。
4) 有条件的,可以对调门进行试验:逐步将阀门的指令由0%至100%,再由100%至0%,比对阀门指令与反馈的一致性,调门的线性等。
5) 试验结果如完全符合要求,由工况解除指令强制。将DEH投入自动,正常投入使用。
2.5 在线更换LVDT注意事项
现在,贵溪对LVDT在线检修已经有比较完整的工作包和工艺卡。在线更换故障的LVDT时,必须保持系统稳定,不能出现大的扰动;因LVDT故障造成打闸停机是不可原谅的,如果能在线更换成功将极大减小机组安全运行存在的隐患,而由于机组带负荷运行,在更换LVDT过程中很有可能使阀门大幅摆动,导致系统出现大扰动甚至造成跳机。因此必须保证更换过程中的每一步均是可控的,阀门实际位置要保持稳定。
3. LVDT故障案例
3.1 案例简介
LVDT在我厂出现过多次故障,由于其本身参与DEH调节,所以它的故障可以导致主调门波动、甩负荷等重大安全问题。双路故障可以引起打闸等严重影响机组运行的事件。
以2013-2016年为例,三期出现过3次,二期出现过3次(包括小机)。最近的一次为11月8日,#5机组正常运行,负荷30万,#1主调门突然自行关闭,机组甩50%的负荷,热工、机务全力查找原因,热工检查发现LVDT单路故障,但我们的逻辑为二选一,并不会造成调门全关,机务进一步检查,发现阀芯脱落,但我们还是及时更换了LVDT,消除了一个安全隐患。
3.2 案例一
1) 故障现象:
2014年6月28日,热工巡检人员发现#5机组A小机伺服卡出现D3、D7指示灯常亮,伺服卡流水灯不亮。他立即向相关人员做了汇报。根据故障说明判断为LVDT2超限,专业上组织人员进行处理,如下图3。

图3
2) D3亮、D7亮原因查找及处理方法
经测量#5机A小机LVDT交流电压值发现小机进汽调节阀全关时LVDT1次级1电压值为2.88V,次级2电压值为3.40V;LVDT2次级1电压值为0.18V,次级2电压值为3.44V;通过电压值可以确认LVDT2次级1电压值偏低,进一步检查发现LVDT2次级1线圈引出线蓝线松脱。
处理方法:将松脱蓝线进行紧固后测量LVDT2次级1线圈电压值为2.86V,次级2电压不变。故障指示D3、D7灭,正常指示D4、D5亮。
主要原因:LVDT安装位置不好,温度和振动都有些高,有的必须要搬梯子才能够到,平常不利于巡检。
措施:每次停机对所有LVDT及伺服卡进行检查和紧线工作,为防止振动在固定底板下面加了橡皮垫子。

图 4 伺服卡故障

图5 伺服卡正常

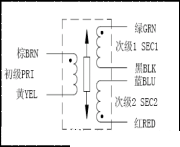
图6 LVDT线圈原理
3.3 案例二
1) 设备情况介绍:3.1.1 三期640MW机组单个阀门采用单个LVDT,水平安装,就地接线采用航空插头插接。LVDT本身带有变送器,由DEH的vickers卡供电,并通过另一组信号线返回4-20MA信号至vickers卡用于阀门开度的控制。当机组运行中LVDT发生故障时,对应调门会自动关闭,影响机组负荷,因此必须立即对LVDT进行更换。
2) 故障现象:2013年11月12日,08:50 发现#2机DEH画面#2中调门开度由72%缓慢下降至67%,后开度继续下降为55%,热工人员经过逻辑分析和数据比对,判断为LVDT故障,做好安措更换LVDT,经检查LVDT密封环老化,连杆松动。2014年4月25日09:12,#2机组负荷加到455MW,A中压调门自行关至41%,再热汽压力由3.59Mpa上升至4.01MPa。负荷降45万以下,而后A中压调门缓慢开至100%。09:45检查确认LVDT间断报故障。机组负荷稳定在41万运行 ,热工检修LVDT,经检查LVDT在密封容器里,温度太高造成线路接头老化。

图7 vickers卡故障
vickers卡检测到LVDT故障(A03.31卡两个黄颜色等灭,FF红灯亮)后,需要对其进行线路检查和更换。
3) 在线更换方法:
每次更换LVDT,应对逻辑参数详细不对,确认无误才可以开始工作。开好工作票,现场确定故障LVDT调门已经全关,并在DEH上将该调门指令强制为全关,关闭伺服阀的进油截止阀。在LVDT杆固定处做好标记,拆除故障LVDT。更换新的LVDT,新的LVDT杆固定位置尽量与原LVDT杆相同。强制阀门开度指令略开阀门,检查阀门动作正常,反馈正常后,强制阀门开度指令,逐步将阀门开至正常指令位置后解除强制。待停机后对阀门进行调试检查,整个在线更换过程结束。通过旋转连接铁杆的螺丝,调整反馈输出至阀门关位在逻辑中对应的量值。

图8 逻辑
逻辑图中阀门开度=(反馈值-关位值)/(开位值-关位值)*10000=(4481-1000)/(6600-1000)*10000=6216表示当前阀门开度为62.16%

图9 将LVDT安装盖板打孔方便散热
4. 结语
本文简要概括了LVDT在我厂发生的多次LVDT故障分析得出,安装不合理、就地接线松动、环境温度高、LVDT内部损坏等问题。
阀门传动固定架无松动;改善安装环境;接线端子确保固定接线可靠;停机时,进行外观和端子接线检查及复紧接线工作;开机前各带LVDT反馈阀门必须进行全行程活动试验和反馈信号测量;加强巡检工作,查看LVDT状态、环境、伺服卡指示灯是否报警,并查看伺服卡指示灯以及阀门指令与反馈趋势对比偏差情况进行分析。对航空插头一律用厂家直供的产品,尽量不自己焊线,防止工艺要求不到位,引起假焊、脱线。
针对三期现场LVDT温度高引发故障,我们举一反三对所有的LVDT的密封盖板打了散热孔。热工专业点检加强对调门的巡点检,每日查看调门反馈值,发现异常及时汇报。由于三期LVDT故障必须在线更换,所以热工专业要准备好充足的备件,以防应急。热控人员加强培训和安全交底,防止在处理过程中出现人为因素,造成更加严重的后果。在更换完成后,要做好事件记录,便于资料整理,统计和分析,待停机后对阀门进行调试检查,实验正常才能说:此项工作结束。