JKN-200系列浮筒液位计指示不准的故障分享-重庆科威
2022-09-19 重庆科威
110kV避雷器发热故障分析-重庆科威
2022-09-14 科威
气相色谱分析仪指示为零故障案例分享-重庆科威
2022-09-13 科威
重庆科威-极度危险油浸式变压器爆燃
2022-09-09 科威
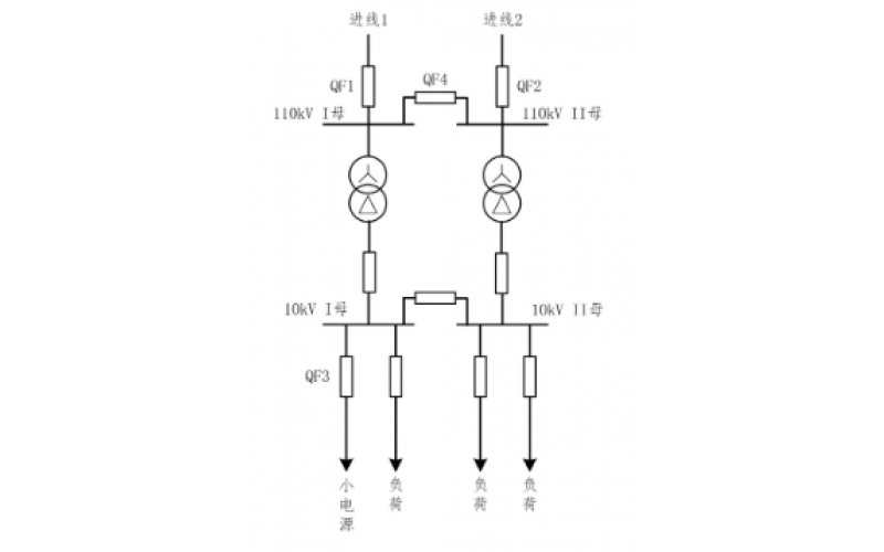
重庆科威-小电源接入对备自投的影响
2022-09-06 科威
甲侧一次风机轴承温度高跳闸,机组停运-重庆科威
2022-09-02 科威