智能变电站继电保护配置原则及技术要求
2023-10-23 科威
继电保护考试实操试验知识分享
2023-10-16 科威
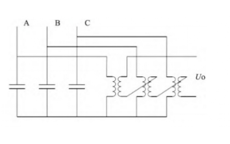
电容器组不平衡保护四种接线方式
2023-09-25 科威
SV链路异常处理
2023-09-18 科威
电力安全距离知多少?
2023-08-22 科威
TV断线对线路保护的影响
2023-08-03 科威
保护双AD不一致异常处理
2023-07-17 科威
继电保护未来技术发展知识分享
2023-06-12 科威