新闻动态

  • 什么情况下要破真空停机?真空破坏阀开启有没有转速限制?

    为什么正常停机时不能打闸后立即破坏真空? 如果正常停机时打闸后即破坏真空,则会导致大量冷空气进入凝汽器,使凝汽器和低压缸迅速冷却,产生很大的“冷冲击”,会造成凝汽器铜管急剧收缩,可能会使其胀口松动,产生泄漏等问题,低压缸和低压转子的热应力增大,有时还会诱发机组振动增大。同时在较高转速下破坏真空,空气进入低压缸对转子叶片有较大的制动作用,而且会发热,尤其是长叶片,所以在非故障状态下不应过早破坏真空。

    2024-08-26 科威

  • 凝汽器灌水查漏操作要点有哪些?

    凝汽器灌水查漏操作要点有哪些? 1.机组停运,高压缸调节级温度低于100℃。 2.凝汽器底部加装临时支撑和临时水位计,水位计上口不允许封口。 3.开启机组各段抽汽疏水门。 4.关闭主再热蒸汽冷段热段、高旁前后,导汽管、调节级、汽缸夹层疏水电动门,和低旁减温水电动门。 5.关闭A、B凝结水泵进口手动门,抽空气手动门,关闭凝结水再循环调整门。 6.关闭A、B真空泵入口手动门,气动门。

    2024-08-16 科威

  • 凝结水泵切换操作票

    1.接值长令:A凝结水泵切换至B凝结水泵; 2.检查B凝结水泵具备启动条件,密封水、轴承冷却水进出水门全开,凝结水泵抽空气门开启3圈; 3 查询B凝结水泵上一周期运行情况:运行电流 电机轴承温度 4.关闭B凝结水泵出口电动门,退出B凝结水泵联锁;

    2024-08-16 科威

  • 引风机差压变送器测压力显示故障

    差压变送器的工作原理 差压变送器通常用于测量密闭容器内的液位,利用液体自身重力产生的压力差来测量容器内液体的液位。 其高压侧测量管由于蒸汽凝结,始终处于充满水状态,保持压力恒定,而低压侧测量管与容器组成联通器,其压力随容器内液位的变化成线性变化。

    2024-08-12 科威

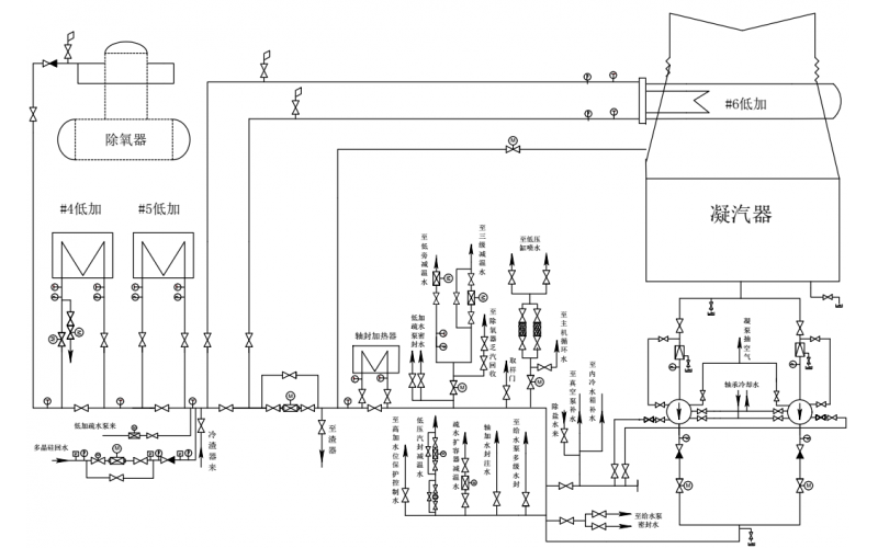
  • #6低加水位波动的原因与控制

    一、运行现状 机组在不同运行工况或变工况的情况下,高低加水位均存在不同程度的波动,其正常疏水和危机疏水调节门的开度也存在较大波动。2号机组正常运行过程中,通过对各加热器运行参数的观察,发现在变工况时,#3高加、#6号低加以及#8低加水位有时出现较大幅度的波动,其中#8低加甚至出现过水位高Ⅲ值,保护动作凝结水走旁路的现象,相比而言,#1、#2高加、#5、#7号低加水位的波动相对比较小。

    2024-07-29 科威

  • 锅炉汽包水位出现大幅波动时调节要点

    一、汽包水位可能出现大幅度波动的情况: 1)高加故障解列; 2)磨煤机跳闸; 3)带粉投磨尤其是启机初期; 4)炉水泵跳闸及启停; 5)冷态启动中,炉水达到沸点时; 6)机组启动过程中的冲转、并网;

    2024-07-29 科威

  • 高加外置式蒸汽冷却器

    回热循环及蒸汽冷却器 回热循环被现代蒸汽动力工程所普遍采用,是在朗肯循环的基础上,对吸热过程加以改进而得到的。 在朗肯循环中,新蒸汽的热量在汽轮机中转变为功的部分只占30%左右,而其余70%左右的热量随乏汽进入凝汽器,在凝结过程中被循环水带走了。 另外,进入锅炉的给水温度是凝汽器工作压力下的饱和温度。因为凝汽器内饱和温度很低,在锅炉内将给水加热到过热蒸汽的整个过程,吸热平均温度不高,致使朗肯循环热效率也较低。为了提高工质的平均吸热温度,减少凝汽器中被冷却水所带走的热量,人们采用了利用抽汽加热给水的热力循环——回热循环。采用回热可提高平均加热温度,从而提高装置的热效率。

    2024-07-24 科威

  • #6A侧循环水进水电动蝶阀不正常关闭分析

    #6A侧循环水进水电动蝶阀不正常关闭分析

    2024-01-12 科威

上一页1234下一页 转至第
首页
产品
新闻
联系